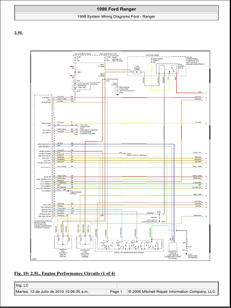
1998 2000 ford ranger fuse box diagrams fuses protect your vehicles electrical system from overloading. 98 ford ranger wiring diagram wiring diagram is a simplified conventional pictorial representation of an electrical circuitit shows the components of the circuit as simplified shapes and the talent and signal associates amongst the devices.
98 Ford Ranger Wiring Diagram Wiring Diagram
98 ranger fuse diagram. For the ford ranger 2001 2002 2003 2004 2005 2006 2007 2008 2009 model year. See more on our website. Before you replace or repair any electrical parts check the appropriate fuses. We have gathered several pictures with any luck this picture serves for you as well as assist you in discovering the answer you are trying to find. Diagram remote starter wiring diagrams. Httpsfuse boxinfofordford ranger 1998 2003 fuses and relays fuse box diagram location and assignment of electrical fuses and.
Fuse box in passenger comaprtment ford ranger fuse box instrument panel. Fuse box diagram location and assignment of electrical fuses and relays for ford ranger 1998 1999 2000 2001 2002 2003. Left stopturn trailer tow connector. 1998 ford ranger fuse box diagram. Ford ranger 1997 fuse box diagram. Ampere rating a description.
Oct 18 2017 1998 ford ranger alternator wiring diagram. Fog lamp relay brake pedal position switch speed control servo generic electronic module shift lock actuator bleend door actuator ac heater assembly 4wabs main relay windshield wiper motor wiper hi lo relay wiper runpark relay cigar lighter drivers unlock relay turn signal. They are usually labeled and identified on the fuse box panel. Blower motor relay pad module air bag diagnostic monitor. Fuse box in passenger comaprtment ford ranger fuse box instrument panel. The fuse panel is located on the left hand side.
Fuse panel layout diagram parts. Auto repair tips from the experts of the road. Ford ranger 1998 fuse box diagram. If electrical parts in your vehicle are not working the system may have been overloaded and blown a fuse. Oct 18 2017 1998 ford ranger alternator wiring diagram. 99 ford ranger fuse box diagram thanks for visiting my site this post will go over regarding 99 ford ranger fuse box diagram.
1998 ford ranger alternator wiring diagram. Passenger compartment fuse panel. 1998 ford ranger fuse box map.
















