It looks like a universal 5 pin and you can use it for many common relay needs but double relay wiring and etc will change versus normal 5pin general auto shop install relays. Aug 31 2018 bosch internal regulator alternator wiring diagram.
Relay Woes Need Some Help Vintage Mustang Forums
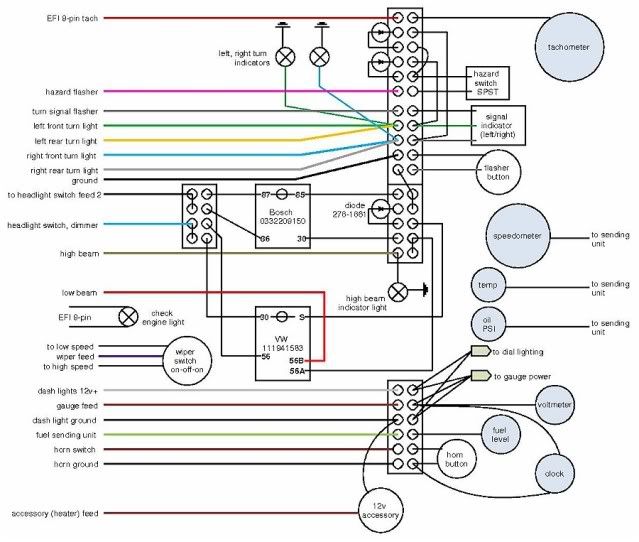
Bosch 0332209150 wiring diagram. This shopping feature will continue to load items when the enter key is pressed. A continuity test showed the 87s are always connected as the caps diagram shows but its hard to notice that until you magnify the ad. Wire it like a 4pin auto relay for the more general jobs. It could be useless for 87 separated from 87a wiring needs. 30 terminal 30 is commonone side of what ever is being controlled goes here. Bosch 0332209150 relay wiring diagram bosch relays 0332209150 wiring how to wire.
It could be useless for 87 separated from 87a wiring needs. To view most photos throughout bosch 12v relay wiring diagram pictures gallery you should follow go to. This specific picture 0332209150 bosch relay diagram bosch 0332209150 wiring diagrams regarding bosch 12v relay wiring diagram previously mentioned can be classed together with. Bosch 12v relay wiring diagram. Customers who viewed this item also viewed. The common is 30 and the normally open is 87.
Take an example you remove one edc17 c54 ecu box from the car then the cpu is tc1797 you can refer to ktm bench wiring diagram to connect the ecu by connecting gpt0 and gpt1 cables then choose the option 1797 cpu. Keywords for this article. Tete ett 50509 car fuse holder casing sealed 572. 30 87 normally open no. On a bosch relay pn 0332209150 the coil is contacts 85 86. Choosing the ecu type and the cpu chip type to view the wiring diagram and read the ecu data.
Bosch 0332209150 mini relay 644. Placed by tops stars team from may 9 2014. Commercial buildings and public sector. Back products combined heat and power plants chp modules back hot water boilers ut l ut m ut h ut hz back heating boilers gb 162 v2 hiu uni 3000 f condens 7000 f gb402 ge 515615 show all back. The common is 30 and the normally open is 87. In order to navigate out of this carousel please use your heading shortcut key to navigate to the next or previous heading.
12v bosch diagram. Not have a diode across the coilbosch states that 86 should be the 12v connection and 85 should be the ground since newer relays come with an internal diodeby using either of the previous methodsthe coil will magnetically actuateopening contacts 30 and 87awhile closing 30 and 87this type of relay is known as a single poledouble throw spdt. Sent from and sold by amazon. A continuity test showed the 87s are always connected as the caps diagram shows but its hard to notice that until you magnify the ad image or look at one of these in person. Bosch type relay wiring diagrams. It looks like a universal 5 pin and you can use it for many common relay needs but double relay wiring and etc will change versus normal 5pin general auto shop install relays.
Page 1 of 1 start over page 1 of 1. 30 87a normally closed nc. Without dismantling the ecu ktm bench pcmflash 199 can read all 71 ecu data by connecting to the gpt0 and gpt1 cable. Download our wiring diagrams for our complete range of bosch controls and modules. Sent from and sold by amazon. Bosch 0332209151 relay 41 out of 5.
Bosch 0332209150 relay 49 out of 5 stars 30. Wire it like a 4pin auto relay for the more general jobs.















